产品概要
传感器精度不仅受扭矩力的干扰小,受横向负载的影响也很小!
新型双螺纹式传感器,安装简单!
新型双螺纹式传感器,安装简单!
● 容量 1 kN, 2 kN, 5 kN, 10 kN, 20 kN, 50 kN
● 由于产品两端有外螺纹,并附有小型螺母,可使用双螺母方便安装。
● 拉伸和压缩均可测量
● 高度仅为40 ~ 92mm、比较短小,不干涉其它设备
(1 ~ 5kN:40 mm, 10 ~ 20kN:70 mm, 50kN-S:70 mm, 50kN:92 mm)
安装示例

安装方式
技术参数
■UIS-1KN、UIS-2KN、UIS-5KN
| 型号 | UIS-1KN | UIS-2KN | UIS-5KN | |
|---|---|---|---|---|
| 额定容量 | 1 kN | 2 kN | 5 kN | |
| 额定输出 | 约 1.0 mV/V | |||
| 允许过载 | 300% R.C. | |||
| 零点平衡 | ±10% R.O. | |||
| 非线性 | 0.2% R.O. 以下 | |||
| 滞后性 | 0.2% R.O. 以下 | |||
| 重复性 | 0.1% R.O. 以下 | |||
| 补偿温度范围 | -10 ~ +60℃ | |||
| 允许温度范围 | -20 ~ +70℃ | |||
| 零点的温度影响 | 0.5% R.O. / 10℃ 以下 | |||
| 输出的温度影响 | 0.5% R.O. / 10℃ 以下 | |||
| 输入端子间阻抗 | 约 1000 Ω | |||
| 输出端子间阻抗 | 约 1000 Ω | |||
| 推荐激励电压 | 5 V | |||
| 最大激励电压 | 7.5 V | |||
| 绝缘阻抗(DC 50 V) | 1000 MΩ 以上 | |||
| 电缆线 | φ2.5 6芯屏蔽柔性电缆线 3 m 头部散状 | |||
| 传感器材质 | 不锈钢制 | |||
| 负载的弯度 | 0.015 mm | 0.014 mm | 0.021 mm | |
| 固有频率 | 2 kHz | 3 kHz | 5 kHz | |
| 重量 | 约 30 g | |||
| RoHS指令 | 2011/65/EU (EU)2015/863 | |||
■UIS-10KN、UIS-20KN、UIS-50KN、UIS-50KN-S
| 型号 | UIS-10KN | UIS-20KN | UIS-50KN | UIS-50KN-S |
|---|---|---|---|---|
| 额定容量 | 10 kN | 20 kN | 50 kN | 50 kN |
| 额定输出 | 约 1.0 mV/V | |||
| 允许过载 | 300% R.C. | |||
| 零点平衡 | ±10% R.O. | |||
| 非线性 | 0.2% R.O. 以下 | |||
| 滞后性 | 0.2% R.O. 以下 | |||
| 重复性 | 0.1% R.O. 以下 | |||
| 补偿温度范围 | -10 ~ +60℃ | |||
| 允许温度范围 | -20 ~ +70℃ | |||
| 零点的温度影响 | 0.5% R.O. / 10℃ 以下 | |||
| 输出的温度影响 | 0.5% R.O. / 10℃ 以下 | |||
| 输入端子间阻抗 | 约 1000 Ω | |||
| 输出端子间阻抗 | 约 1000 Ω | |||
| 推荐激励电压 | 5 V | |||
| 最大激励电压 | 7.5 V | |||
| 绝缘阻抗(DC 50 V) | 1000 MΩ 以上 | |||
| 电缆线 | φ5 6芯屏蔽柔性电缆线 3 m 头部散状 | |||
| 传感器材质 | 不锈钢制 | |||
| 负载的弯度 | 0.025 mm | 0.040 mm | 0.070 mm | 0.050 mm |
| 固有频率 | 15 kHz | 15 kHz | 13 kHz | 16 kHz |
| 重量 | 约 100 g | 约 100 g | 约 260 g | 约 210 g |
| RoHS指令 | 2011/65/EU (EU)2015/863 | |||
附属品
・小型螺母(防止松动) ×2

其他选购件
・小型扳手 ×1

※ UIS-10KN, 20KN, 50KN, 50KN-S 用
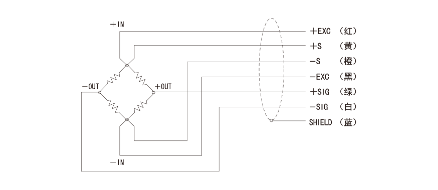
配线图

外形尺寸

下载
|
产品单页介绍(PDF)
|
UIS产品单页介绍 | |
|---|---|---|
|
使用说明书(PDF)
|
UIS使用说明书 | |
|
外观图
|
DXF
(ZIP) |
|
|
PDF
|
||
|
支援工具
|
||
|
软件
|
||
- 关于使用说明书,产品外观图,支援工具,软件等,请在登录的前提下下载使用。
- 阅览PDF格式的文件时,需要下载并安装Adobe公司的Acrobat Reader。


