产品概要
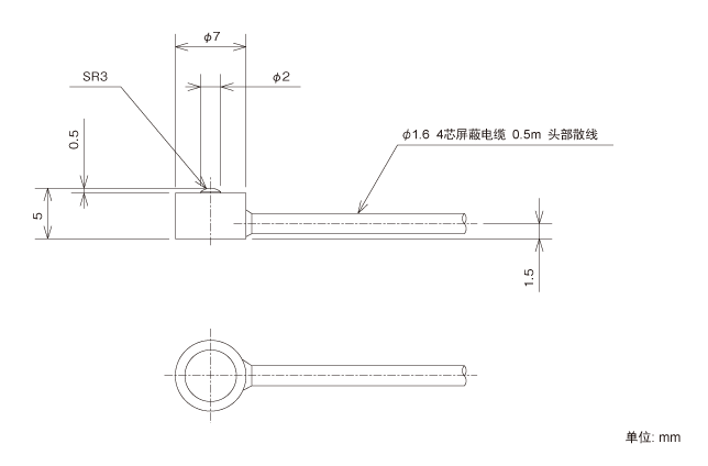
直径7 mm,高5 mm的小型不锈钢制压缩传感器
● 容量200 N,500 N
● 不锈钢制
● 直径7 mm,高5 mm的小型压缩传感器
技术参数
| 型号 | UNCDW-200N | UNCDW-500N |
|---|---|---|
| 额定容量 | 200 N | 500 N |
| 额定输出 | 0.5 mV/V 以上 | |
| 允许过载 | 120% R.C. | |
| 零点平衡 | ±20% R.O. | |
| 非线性 | 1.0% R.O. | |
| 滞后性 | 1.0% R.O. | |
| 重复性 | 1.0% R.O. | |
| 补偿温度范围 | +5 ~ +50℃ | |
| 允许温度范围 | -10 ~ +80℃ | |
| 零点的温度影响 | 0.5% R.O./10℃ | |
| 输出的温度影响 | 0.5% R.O./10℃ | |
| 输入端子间阻抗 | 约 350 Ω | |
| 输出端子间阻抗 | 约 350 Ω | |
| 推荐激励电压 | 2.5 V | |
| 最大激励电压 | 5 V | |
| 绝缘阻抗(DC 50 V) | 1000 MΩ 以上 | |
| 电缆线 | φ1.6 4芯屏蔽电缆线 0.5 m 头部散状 | |
| 电缆线配色 | +EXC:红 +SIG:绿 -EXC:白 -SIG:蓝 SHIELD |
|
| 传感器材质 | 不锈钢制 | |
| 负载的弯度 | 0.006 mm | 0.005 mm |
| 固有频率 | 99 kHz | 96 kHz |
| 重量 | 1.5 g | |
| RoHS指令 | 2011/65/EU (EU)2015/863 | |
外形尺寸

下载
|
产品单页介绍(PDF)
|
UNCDW产品单页介绍 | |
|---|---|---|
|
使用说明书(PDF)
|
||
|
外观图
|
DXF
(ZIP) |
|
|
PDF
|
||
|
支援工具
|
||
|
软件
|
||
- 关于使用说明书,产品外观图,支援工具,软件等,请在登录的前提下下载使用。
- 阅览PDF格式的文件时,需要下载并安装Adobe公司的Acrobat Reader。


